Проектные решения ЦОД и их влияние на инфраструктуру системы электропитания
25 августа 2014 г. | Категория: Электроснабжение ЦОД, Дизель-генераторные установки (ДГУ)
При проектировании корпоративного дата-центра его владельцы, архитекторы и инженеры должны сформировать четкое понимание и прийти к консенсусу по поводу всех элементов проекта: от площадки для застройки до сигнализационных панелей внутри объекта. Причем одни из наиболее важных решений касаются инфраструктуры распределения электроэнергии, которая должна создаваться в соответствии с потребностями будущего ЦОД.
В этом докладе рассматриваются три ключевых фактора, которые следует учитывать при определении ключевых параметров инфраструктура распределения электроэнергии: размер системы, выбранная архитектура надежности и сложность эксплуатации с точки зрения процесса передачи электроэнергии критически важным нагрузкам. После того как команда специалистов определится с этими факторами, в их распоряжении появится база для дальнейшего проектирования и развертывания комплексной и интегрированной системы распределения электропитания.
Фактор номер один: размер инфраструктуры распределения электроэнергии
Это может показаться невероятным, но создаваемая IT-оборудованием внутри дата-центра тепловая энергия является критически важным компонентом при определении параметров инфраструктуры системы электропитания для всего объекта. (Как правило, это оборудование находится в комнате с фальшполом, необходимым для распределения воздушных потоков, хотя в некоторых дата-центрах имеются машзалы без фальшпола; при подготовке данного доклада термин "машзал" приравнен к термину "помещение с фальшполом", но представленные ниже рассуждения и формулы справедливы для ЦОД всех типов: как с фальшполом, так и без него) . Поскольку технологическое оборудование и механическая инфраструктура, необходимая для его охлаждения, являются крупнейшими потребителями электроэнергии в здании, их максимальное энергопотребление определяет потребности ЦОД в электричестве.
Расчет потребления электроэнергии технологическим оборудованием
Специалисты по управлению зданием дата-центра традиционно использовали показатель "ватт на "квадрат"" (квадратный фут или метр) площади при описании тепловой нагрузки оборудования в помещении с фальшполом. Однако в последнее время некоторые руководители начали использовать показатель "киловатт на стойку". В любом случае, для того чтобы рассчитать полезную электрическую нагрузку, нужно перевести эти цифры в ватты. Оба метода описаны и проиллюстрированы ниже.
Метод 1 — тепловая нагрузка фальшпола X площадь помещения с фальшполом
После того, как размер помещения с фальшполом, где технологическое оборудование будет находиться, был определен, нужно произвести простой расчет, сводящийся к умножению количества ватт на квадратный фут (или ватт на квадратный метр) на общее количество квадратных футов (или метров ) в помещение с фальшполом, чтобы определить мощность в ваттах, необходимую для поддержки технологического оборудования.
Пример
|
Тепловая нагрузка фальшпола
|
150 ватт на квадратный фут (Вт/фт²)
|
|
Помещение с фальшполом
|
x 48,000 квадратных футов (всего)
|
|
Потребление электроэнергии
|
7,200,000 ватт = 7,200 кВт = 7.2 МВт
|
Аналогичный пример для метрических единиц
|
Тепловая нагрузка фальшпола
|
1,500 ватт на квадратный метр (Вт/м²)
|
|
Помещение с фальшполом
|
x 4,500 квадратных метров (всего)
|
|
Потребление электроэнергии
|
6,750,000 ватт = 6,750 кВт = 6.8 МВт
|
Метод 2 — тепловая нагрузка монтажной стойки X общее количество стоек, рассредоточенных по помещению с фальшполом
Расчет показателя "ватт-на-стойку" в некотором роде не зависит от площади. Он сосредоточен на тепле, выделяемом каждой стойкой или шкафом и представляемом значением показателя "киловатт-на-стойку". Этот подход требует определения количества монтажных стоек, которые будут размещены в помещении с фальшполом, когда дата-центр будет использоваться на полную мощность. (Полученное значение позволит определиться размер помещения с фальшполом, после того как будут определены размеры рядов и коридоров.) Умножая показатель "киловатт-на-стойку" на количество стоек, можно получить предоставление об уровне энергопотребления технологического оборудования в помещении с фальшполом, как и в случае с методом номер один.
Пример
|
Тепловая нагрузка монтажной стойки
|
12 киловатт на стойку (кВт/стойку)
|
|
Количество стоек в помещении с фальшполом
|
x 600 общее количество стоек
|
|
Потребление электроэнергии
|
7,200 кВт = 7.2 МВт
|
Расчет энергопотребления ЦОД
После того как нагрузка в киловаттах со стороны оборудования в помещении с фальшполом будет определена, можно использовать эмпирическое правило и удвоить полученную цифру, чтобы выйти на приблизительную максимальную рабочую нагрузку для оценки потребления электроэнергии всего дата-центра. В случае представленных ранее примеров, приблизительная рабочая нагрузка всего дата-центра будет 2 х 7,2 МВт или 14.4 МВт. Это правило предполагает, что механические системы, которые охлаждают технологическое оборудование (например, чиллеры, насосы, блоки кондиционеров CRAC / CRAH), потребляют примерно такое же количество электроэнергии, что и само технологическое оборудование в помещение с фальшполом. На долю этих двух нагрузок приходится более 95% от общего количества электроэнергии, потребляемой среднестатистическим создаваемым "с нуля" центром обработки данных.
Фактор номер два: архитектура надежности
Второе ключевое решение касается архитектуры надежности. В середине 1990-х организация Uptime Institute™ опубликовала первую версию своего доклада "Классификации Tier для определения производительности инфраструктуры ЦОД" (Tier Classifications Define Site Infrastructure Performance). Этот документ регулярно обновляется. Он послужил источником руководящих принципов при проектировании надежной инфраструктуры в случае многих дата-центров. При этом метрика Tier также широко используется для сравнения надежности инфраструктуры различных дата-центров.
Документ устанавливает четыре уровня надежности (Tier I - IV), связанные с инфраструктурой дата-центра. Объект с минимальной (или базовой) инфраструктурой, необходимой для поддержки дата-центра, будет иметь уровень Tier I. Тогда как дата-центр с отказоустойчивой архитектурой и двойным резервированием инфраструктуры будет иметь уровень Tier IV. С каждым последующим уровнем Tier надежность инфраструктуры ЦОД увеличивается. Иными словами, средняя продолжительность даунтайма уменьшается при последовательном переходе от уровня I до IV. Данная метрика является отнюдь не единственным способом оценки надежности архитектуры дата-центра, но этот способ стал общепринятым при определении требуемых характеристик инфраструктуры.
После того, как архитектура надежности дата-центр выбрана, можно будет с большей точностью определить некоторые характеристики электроэнергетической инфраструктуры. Например, если выбирается архитектура надежности, соответствующая требованиям Tier II, некоторые элементы электроэнергетической системы будут иметь резервные блоки, то есть конфигурацию N+1. См. рисунок 1. Соответственно, владельцам ЦОД, которому необходим один генератор на 2000 кВт для поддержки базовой электрической нагрузки, будет необходимо приобрести и установить два генератора на 2000 кВт. Второй генератор будет представлять собой резервный блок.
Продолжим рассматривать пример. Подобное решение при выборе архитектуры надежности также привело бы к повышению расходов на инфраструктуру системы электропитания. Вместо использования выключателя для перевода на другую цепь без разрыва питания (переключатель без разрыва тока), чтобы интегрировать генератор, скорее всего, придется использовать распределительные устройства для включения на параллельную работу с целью интеграции обоих генераторов в электроэнергетическую инфраструктуру.
Капитальные расходы возрастают пропорционально уровню надежности. В целом при проектировании все более надежного ЦОД (т.е. для удовлетворения требований все более высоких уровней Tier), будет необходимо все больше инфраструктурного оборудования. Необходимость в дополнительном оборудовании означает большие начальные затраты, связанные со строительством дата-центра, а также большие затраты на техподдержку этого оборудования.
Выбор рабочего напряжения электроэнергетической инфраструктуры также будет влиять на архитектуру электроэнергетической системы и первоначальную стоимость объекта. Однако воздействие стоимости оборудования может варьироваться в довольно широких пределах, и нет какого-либо эмпирического правила, касающейся взаимосвязи между рабочим напряжением и первоначальной стоимостью оборудования. Если рабочее напряжение является переменной при проектировании электроэнергетической инфраструктуры, рекомендуется проводить сравнение стоимости проектов при различных рабочих напряжениях, для того чтобы принять наиболее обоснованное решение о том, какой вариант лучше для дата-центра.

Рисунок 1 - Пример топологии Tier II с избыточными компонентами и одиночными каналами распределения электроэнергии (без резервирования).
Фактор номер три: сложность эксплуатации
Третьим фактором, который влияет на проектирование инфраструктуры системы электропитания, является сложность эксплуатации системы. Если делается выбор в пользу высокого уровня Tier, этот выбор отражается на других решениях, такие как решение о необходимости развертывания распределительных устройств для включения на параллельную работу и других автоматически регулируемых устройств в рамках архитектуры электроэнергетической системы. В результате повышается сложность последовательности операций - автоматически инициируемая программа определения направлений передачи электричества в рамках электрораспределительного оборудования, позволяющая реагировать на изменения в нормальных условиях эксплуатации (вроде прекращения подачи электричества из центральной сети).
Эта последовательность операций позволяет реализовать перевод критической нагрузки на резервные электрические межсоединения системы распределения электроэнергии. Эти межсоединения удерживают ЦОД в рабочем состоянии в случае потенциально критически опасной ситуации вроде перебоев в подаче электроэнергии. Есть много опций, выбор которых может повлиять на сложность эксплуатации: от простых конструкций со всего двумя электросоединениями, до сложных конструкций, которые контролируют множество резервных электросоединений. После принятия решения по поводу уровня архитектуры надежности, диапазон выбора сужается, но все еще остается целый ряд вариантов.
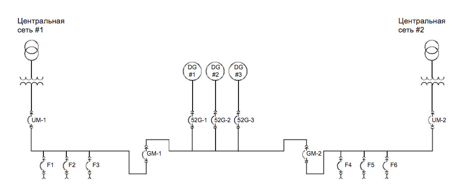
Часто используемые проекты архитектуры электроэнергетической системы можно назвать одним из способов упрощения перебора вариантов, связанных со сложностью эксплуатации. Тот, который наилучшим образом соответствует потребностям конкретной конструкции дата-центра, будет определен благодаря решениям, принятым ранее в процессе изучения основных факторов, как отмечалось выше. Эти конфигурации архитектуры электроэнергетической системы широко известны, как разделённые изолированные шины, пары многоступенчатого переноса нагрузки и так далее. См. Рисунок 2. Стандартные блоки управления - блоки управления включением на параллельную работу, блоки контроля электропередачи и управления системой - обычно интегрированы в более крупные системы распределения электроэнергии по дата-центру, которые могут включать дополнительные надстройку для контроля в форме системы SCADA.
Стандартные архитектуры имеют преимущества перед разработанными по специальному заказу. Наиболее значимым преимуществом является то, что процедуры программирования, связанные со стандартной последовательностью операций, ранее уже многократно использовались при развертывании архитектур электроэнергетической системы подобного типа. Соответствующая последовательность действий подверглась проверке времени: многочасовая работа соответствующих систем позволила выявить все основные проблемы программного обеспечения, которые могут вызвать нестабильность при эксплуатации. Иными словами, стандартные архитектуры электроэнергетической системы можно считать более надежным, чем разработанные по специальному заказу, так как программные продукты, связанные с последовательностью работы, является более стабильными благодаря проверке временем.
Взаимозаменяемость выступает еще одним преимуществом, связанным со стандартными архитектурами электроэнергетической системы. Большинство компонентов, предусмотренных проектом электроэнергетической системы, будут относиться к категории "под ключ", если они используются в стандартном исполнении. Если возникнет необходимость в замене какого-либо компонента по той или иной причине, он сможет быть легко куплен и легко интегрирован в инфраструктуру системы электропитания, снижая риск потенциального простоя. Неспособность легко заменить проблемные компоненты является одним из основных факторов, которые влияют на работоспособность оборудования.
Кроме того, разработанные по специальному заказу и сложные с эксплуатационной точки зрения системы могут стать причиной некоторых менее очевидных дополнительных расходов. Из-за сложности возрастают расходы на аппаратное обеспечение в связи с природой создаваемого по спецзаказу продукта, но сложность также добавляет затраты, связанные с проверкой пригодности для эксплуатации и расходами на обслуживание в долгосрочной перспективе. Эти аспекты также должны быть приняты во внимание при принятии решения по поводу уровня сложности системы распределения электроэнергии.

Рисунок 2. Пример широко используемой конфигурации включения на параллельную работу для дата-центров с парами многоступенчатого переноса нагрузки.
Рекомендации
Для того чтобы выбрать лучший вариант электроэнергетической системы для корпоративного дата-центра, лица, ответственные за принятие решений, должны тщательно рассмотреть три фактора, обсуждаемые в этой статье:
– Постарайтесь получить представление о необходимом помещении с фальшполом, тепловой нагрузке, площади помещения / количестве стоек, потому что это поможет оценить общие потребности ЦОД в электроэнергии. В итоге вы сможете выйти на приблизительную мощность необходимой электроэнергетической системы.
– Определите выбранную архитектуру надежности ЦОД, используя руководящие принципы вроде системы Tier от Uptime Institute, чтобы в дальнейшем принимать решения по поводу архитектуры электроэнергетической системы. От этого будет зависеть то, каким образом электроэнергия будет поступать на критически важное оборудование.
– Внедряйте стандартные архитектуры системы распределения электроэнергии, особенно при включении множества генераторов на параллельную работу, потому что это приведет к увеличению надежности и повышению работоспособности.
Статья подготовлена специалистами компании Cummins. С оригинальной версией на английском языке можно познакомиться на сайте www.datceneterdynamics.com
Теги: Электроснабжение, ДГУ
|
Комментариев: 0